• Auftraggeber: WEG (privat)
  • Fertigstellung: 2023
  • Leistungsphase nach HOAI: 3 – 8
Beschreibung
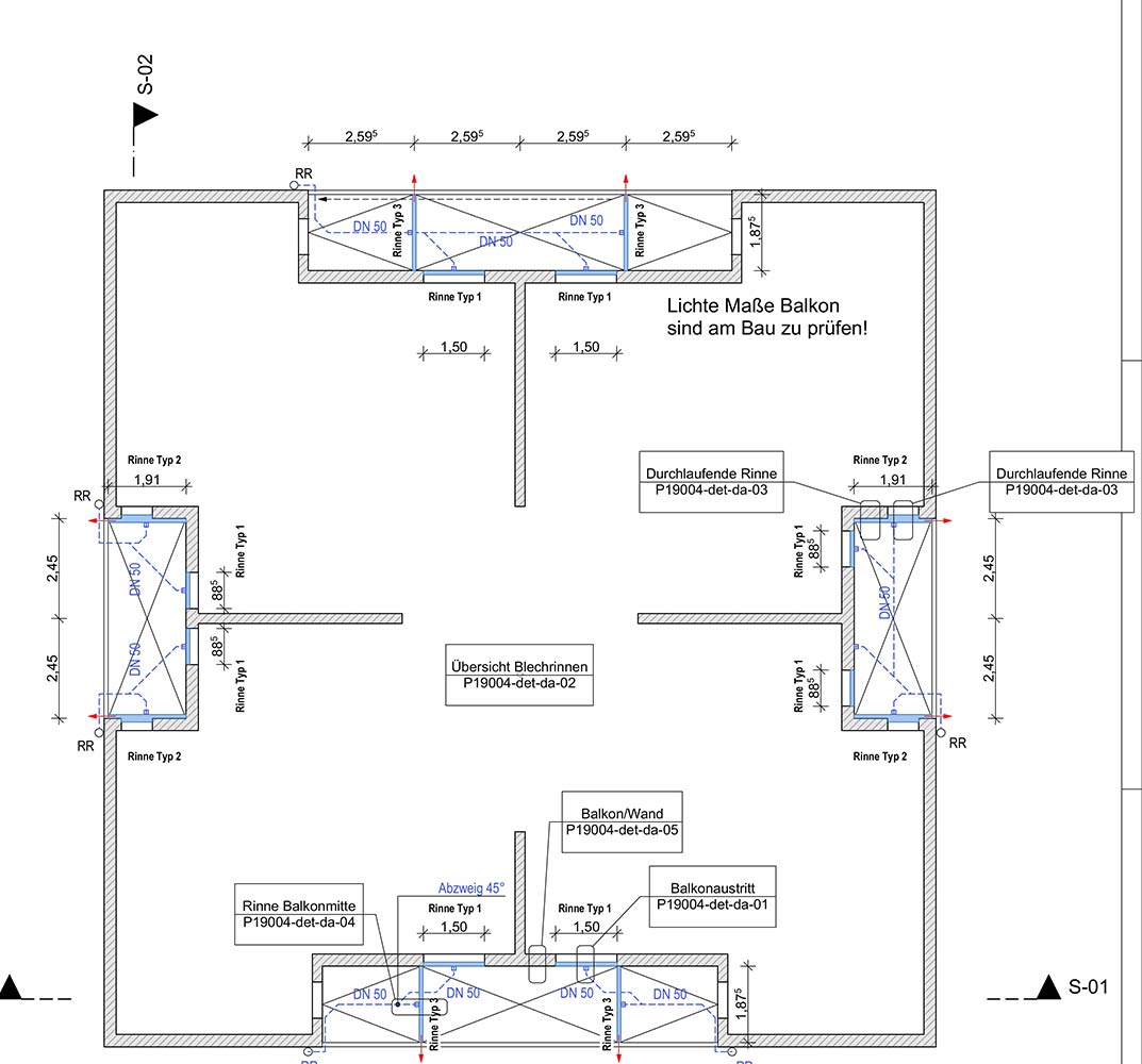
  • Sanierung der Bodenbeläge und Entwässerung der Loggienbalkone
  • Herstellung eines Bodenaufbaus, der einer Beschädigung des Belags vorbeugt
  • Austausch von Fassadenelementen durch haltbareres Material
  • Herstellen eines Müllplatzes an der Grundstücksgrenze
  • Besonderheit: Sonderanfertigung für die Entwässerungsrinnen